Многие устройства, приборы и механизмы нуждаются в поддержании заданной температуры воздуха или воды в течение определенного периода времени, для чего используется специальный прибор - регулятор температуры. Главная задача такого устройства – включение/выключение нагревательного элемента одного или нескольких приборов, что происходит с учетом показаний температуры окружающей среды.
Сферы применения и особенности использования
При помощи специального реле можно поддерживать стабильную температуру не только воздушной, но и водной среды, поэтому нередко такие приборы используются в системах газового и электрического отопления. Сфера использования устройств включает в себя:
- системы охлаждения, что актуально для продуктовых и овощных складов;
- теплые электрические и водяные полы;
- управление котлами отопления;
- активацию электропанелей и конвекторов.
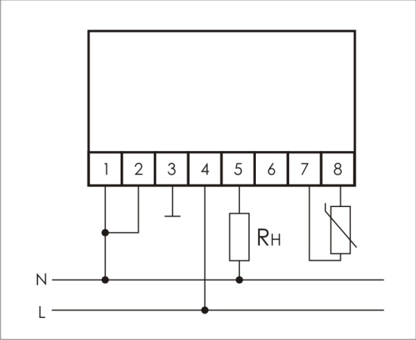
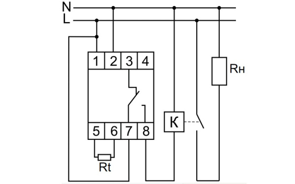
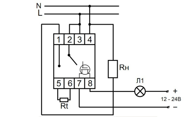
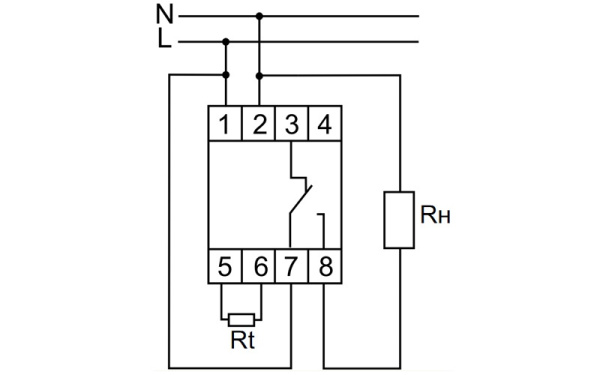
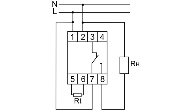
Регулятор температуры отопления может быть выполнен в виде тройника, установочной коробки или отдельного корпуса. Сегодня производители выпускают широкий ассортимент устройств, которые отличаются не только диапазоном задаваемой температуры, но также исполнением, используемыми датчиками, типом интеграции, способом передачи сигнала и схемой подключения.
Преимущества использования регулятора температуры
Думая о том, стоит ли приобретать регулятор температуры теплого пола, будет полезным ознакомиться с достоинствами такого устройства:
- более экономичная работа бытового прибора, что уменьшает его эксплуатационный износ;
- поддержание температуры воздуха или теплоносителя в заданном диапазоне;
- сокращение расхода тепловой энергии;
- компактные габаритные размеры;
- легкое управление и возможность задать требуемые параметры.
Чтобы выгодно купить реле контроля температуры в Бресте, обращайтесь в нашу компанию ООО «Вивателснаб», которая уже много лет реализует данные устройства в Республике Беларусь. Мы напрямую сотрудничаем с заводами-изготовителями, поэтому гарантируем высокое качество всех поставляемых приборов.
Преимущества нашей компании
- индивидуальный подход к каждому заказчику и персональная комплектация;
- выполнение выписки ТНТ и отгрузки товара в одном месте;
- любая форма оплаты: наличный и безналичный расчет;
- гибкие скидки постоянным клиентам.
Для получения дополнительной информации, а также ответов на интересующие вопросы по покупке температурного реле просим звонить по телефону контактной связи:
+375 (29) 520-06-65