Реле контроля уровня – элемент автоматики для схем управления технологическими параметрами. Устройства осуществляют запуск/остановку двигателей исполнительных механизмов, насосных агрегатов, сигнализации при достижении уровня жидких сред заданного значения.
Область применения – локальное и централизованное автоматизированное управление системами подачи воды, осушения, орошения, коммунальными, техническими системами. В каталоге также представлены элементы автоматики для контроля влажности воздуха.
Описание реле уровня
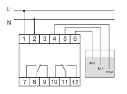
У нас можно купить реле уровня воды F&F. Устройства работают с кондуктометрическими датчиками и предназначены для токопроводящих жидкостей.
Реле уровня:
- Рассчитаны на значительный коммутирующий ток 8-16 А. Это позволяет обойтись без промежуточных реле и управлять нагрузкой напрямую, что упрощает схему и увеличивает ее надежность.
- Долговечны. Коммутационная стойкость к износу составляет более 105 циклов срабатывания.
- Могут управлять активной, индуктивной и смешанной нагрузкой. Реле можно включать в цепи переменного и постоянного тока. Возможная нагрузка: лампы сигнализации различного типа, катушки контакторов и пускателей, электродвигатели.
- Имеют регулируемую чувствительность. Устройства можно настраивать в зависимости от электропроводности жидкости или типа датчиков в пределах 1-100 кОм.
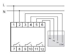
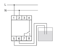
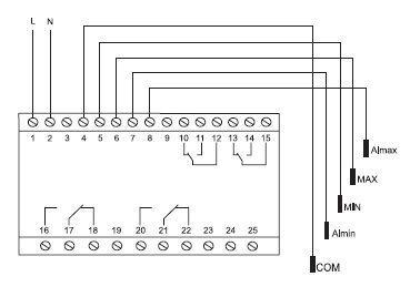
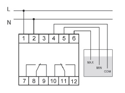
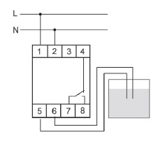
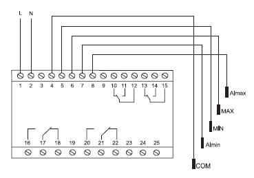
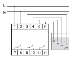
- Могут контролировать от одного до трех пределов уровня. У нас есть одно-двух- и трехуровневые модели.
- Практически не потребляют электроэнергию. Потребляемая мощность устройств не превышает 1 Вт.
Элементы автоматики имеют модульную конструкцию и устанавливаются на стандартные DIN-рейки, что существенно упрощает монтаж устройств в шкафах и щитах автоматики.
Преимущества работы с нами
- Предлагаем большой выбор электротехнической продукции, включая реле уровня воды.
- Даем консультации по выбору с учетом всех условий.
- Предоставляем длительный гарантийный период.
- Предлагаем особые условия для постоянных клиентов.
По вопросам поставки устройств автоматики звоните +375 (29) 520-06-65, у нас выгодные цены на датчики уровня жидкости.