Назначение реле:
Устройство используется, чтобы контролировать состояние параметров трехфазной сети питания, контактов исполнительных механизмов, линий питания нагрузки и защиты электрического оборудования от аварийных режимов работы.
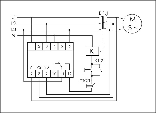
Принцип работы реле:
С помощью переключателя устанавливается режим работы (1 из 4-х возможных). После того, как на устройство подается питание, необходимо проверить, в каких пределах находятся параметры сети. Если параметры сети в допустимых пределах, то контакты 11-12 замыкаются. После подключения нагрузки состояние контактов находится под контролем. Если разница напряжений между входными и выходными зажимами превышает допустимое значение, то в скором времени происходит размыкание контактов 11-12 и отключение нагрузки. Обратное включение происходит после снятия питания и починки неисправности.
Если параметры сети выходят за нормативные значения, то по истечении времени задержки срабатывания устройство отключается. При обратном возвращении значений в норму контакты 11-12 замыкаются и нагрузка снова подключается к сети питания.
Технические характеристики:
Напряжение питания, В/Гц | 3x400/230+N / 50 |
Допустимые напряжения Uфmax/Uфmin, В | 400 / 50 |
Максимальный ток катушки контактора, А | 2 |
Контакт | 1NO/NC (1 переключающий) |
Индикатор аварии | красный светодиод |
Индикатор нагрузки | желтый светодиод |
Напряжение отключения, В | |
- при падении напряжения в фазах | 160 |
- при повышении напряжения в фазах | 265 |
Асимметрия напряжения, В | 20...80 |
Падение напряжения на контактах, В | 0,8...20 |
Задержка отключения, с* | |
- при падении напряжения | 0,5...15 |
- при повышении напряжения | 0,5 |
- при асимметрии | 0,5...15 |
- при аварии контактов | 12 |
Гистерезис, В | 5 |
Потребляемая мощность, Вт | 1,6 |
Диапазон рабочих температур,°С | -25... +50 |
Степень защиты | IР20 |
Коммутационная износостойкость, циклов | >10 в 5 степени |
Степень загрязнения среды | 2 |
Категория перенапряжения | III |
Габариты (ШхВхГ), мм | 18х90х65 |
Тип корпуса | 1S |
Масса, г. | 73 |
Подключение | винтовые зажимы 2,5мм2 |
* - При напряжении менее 120 и более 300 В время отключения — не более 0,05 с
- Наличные при самовывозе или доставке курьером. Специалист свяжется с вами в день доставки, чтобы уточнить время и заранее подготовить сдачу с любой купюры. Вы подписываете товаросопроводительные документы, вносите денежные средства, получаете товар и чек.
- Безналичный расчет при самовывозе или оформлении в интернет-магазине: карты Visa и MasterCard. Чтобы оплатить покупку, система перенаправит вас на сервер системы ASSIST. Здесь нужно ввести номер карты, срок действия и имя держателя.
- Электронные системы при онлайн-заказе: PayPal, WebMoney и Яндекс.Деньги. Для совершения покупки система перенаправит вас на страницу платежного сервиса. Здесь необходимо заполнить форму по инструкции.
- Собственная курьерская доставка работает с 9.00 до 19.00. Когда товар поступит на склад, курьерская служба свяжется для уточнения деталей. Специалист предложит выбрать удобное время доставки и уточнит адрес. Осмотрите упаковку на целостность и соответствие указанной комплектации.
- Самовывоз из магазина. Когда заказ поступит на склад, вам придет уведомление. Для получения заказа обратитесь к сотруднику в магазине и назовите номер.
- Доставка сторонней службой доставки. Когда товар поступит на склад, мы свяжемся для уточнения деталей. Служба доставит продукцию на указанный адрес. Осмотрите упаковку на целостность и соответствие указанной комплектации.