Артикул:
EA04.004.001
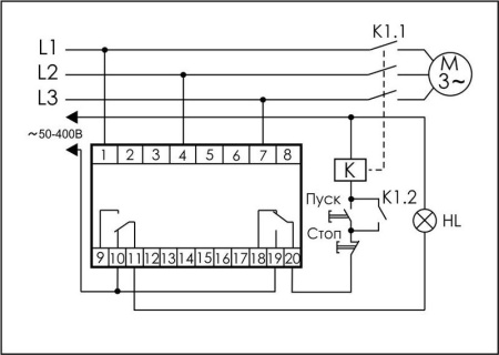
Реле контроля фаз CKF-345 предназначено для защиты электродвигателей и электроустановок, подключенных к трёхфазной сети, в случаях:
- отсутствия хотя бы одной из фаз;
- асимметрии напряжения;
- повышения напряжения более 580 В;
- снижения напряжения менее 420 В;
- нарушения чередования фаз.
Отличительные особенности:
Напряжение 3х500 В, асимметрия регулируемая 20-80 В, контроль чередования фаз, контроль напряжения, контакт 2NO/NC.
Применяется для защиты электродвигателей и электроустановок, питаемых от трехфазной сети.
- отсутствия хотя бы одной из фаз;
- асимметрии напряжения;
- повышения напряжения более 580 В;
- снижения напряжения менее 420 В;
- нарушения чередования фаз.
Отличительные особенности:
Напряжение 3х500 В, асимметрия регулируемая 20-80 В, контроль чередования фаз, контроль напряжения, контакт 2NO/NC.
Применяется для защиты электродвигателей и электроустановок, питаемых от трехфазной сети.
Для покупки товара в нашем интернет-магазине выберите понравившийся товар и добавьте его в корзину. Далее перейдите в Корзину и нажмите на «Оформить заказ» или «Быстрый заказ».
Когда оформляете быстрый заказ, напишите ФИО, телефон и e-mail. Вам перезвонит менеджер и уточнит условия заказа. По результатам разговора вам придет подтверждение оформления товара на почту или через СМС. Теперь останется только ждать доставки и радоваться новой покупке.
Оформление заказа в стандартном режиме выглядит следующим образом. Заполняете полностью форму по последовательным этапам: адрес, способ доставки, оплаты, данные о себе. Советуем в комментарии к заказу написать информацию, которая поможет курьеру вас найти. Нажмите кнопку «Оформить заказ».
Оплачивайте покупки удобным способом. В интернет-магазине доступно 3 варианта оплаты:
- Наличные при самовывозе или доставке курьером. Специалист свяжется с вами в день доставки, чтобы уточнить время и заранее подготовить сдачу с любой купюры. Вы подписываете товаросопроводительные документы, вносите денежные средства, получаете товар и чек.
- Безналичный расчет при самовывозе или оформлении в интернет-магазине: карты Visa и MasterCard. Чтобы оплатить покупку, система перенаправит вас на сервер системы ASSIST. Здесь нужно ввести номер карты, срок действия и имя держателя.
- Электронные системы при онлайн-заказе: PayPal, WebMoney и Яндекс.Деньги. Для совершения покупки система перенаправит вас на страницу платежного сервиса. Здесь необходимо заполнить форму по инструкции.
Экономьте время на получении заказа. В интернет-магазине доступно 3 варианта доставки:
- Собственная курьерская доставка работает с 9.00 до 19.00. Когда товар поступит на склад, курьерская служба свяжется для уточнения деталей. Специалист предложит выбрать удобное время доставки и уточнит адрес. Осмотрите упаковку на целостность и соответствие указанной комплектации.
- Самовывоз из магазина. Когда заказ поступит на склад, вам придет уведомление. Для получения заказа обратитесь к сотруднику в магазине и назовите номер.
- Доставка сторонней службой доставки. Когда товар поступит на склад, мы свяжемся для уточнения деталей. Служба доставит продукцию на указанный адрес. Осмотрите упаковку на целостность и соответствие указанной комплектации.
Дополнительная вкладка, для размещения информации о магазине, доставке или любого другого важного контента. Поможет вам ответить на интересующие покупателя вопросы и развеять его сомнения в покупке. Используйте её по своему усмотрению.
Вы можете убрать её или вернуть обратно, изменив одну галочку в настройках компонента. Очень удобно.